Divisores de fluxo
Solicite uma cotação
Uma combinação de vários motores hidráulicos conectados por um eixo
Informações técnicas
- Deslocamento: 3~250cm³/rev.
- Rotation direction: reversible (R)
- Velocidade mínima: 600r/mín
- Velocidade máxima: 2500r/mín
- Pressão máxima: 150~250bar
Regras para o código de pedido do divisor de fluxo do Grupo 2
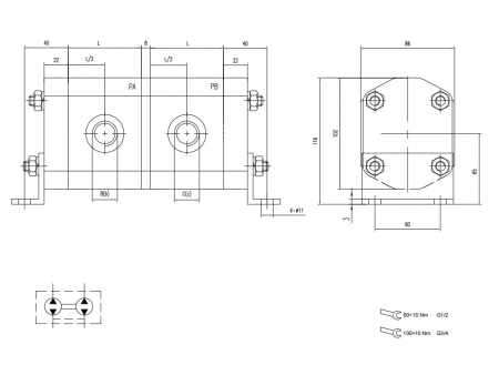
Divisor de fluxo do grupo 2 Dimensões padrão do produto
| Deslocamento | Pressão máxima | Velocidade máxima | Velocidade mínima | Dimensões | Código de porta de óleo | Entrada | Saída | Código de porta de óleo | Entrada | Saída |
| PA | PA | L | PA | B | c | PB | C | c | ||
| (cm³/rev.) | bar | (r/mín) | (r/mín) | mm | ||||||
| 3 | 250 | 2500 | 600 | 49.1 | L0 | G1/2 | G1/2 | L0 | G1/2 | G1/2 |
| 4 | 250 | 50.7 | L0 | G1/2 | G1/2 | L0 | G1/2 | G1/2 | ||
| 6 | 250 | 54 | L0 | G1/2 | G1/2 | L0 | G1/2 | G1/2 | ||
| 8 | 230 | 57.3 | L4 | G3/4 | G3/4 | L4 | G3/4 | G3/4 | ||
| 10 | 230 | 60.6 | L4 | G3/4 | G3/4 | L4 | G3/4 | G3/4 | ||
| 12 | 230 | 63.9 | L4 | G3/4 | G3/4 | L4 | G3/4 | G3/4 | ||
| 14 | 230 | 67.3 | L4 | G3/4 | G3/4 | L4 | G3/4 | G3/4 | ||
| 16 | 210 | 70.7 | L4 | G3/4 | G3/4 | L4 | G3/4 | G3/4 | ||
| 18 | 210 | 74 | L4 | G3/4 | G3/4 | L4 | G3/4 | G3/4 | ||
| 20 | 200 | 77.3 | L4 | G3/4 | G3/4 | L4 | G3/4 | G3/4 | ||
| 22 | 200 | 80.6 | L4 | G3/4 | G3/4 | L4 | G3/4 | G3/4 | ||
| 25 | 190 | 85.6 | L4 | G3/4 | G3/4 | L4 | G3/4 | G3/4 | ||
| 28 | 170 | 90.6 | L4 | G3/4 | G3/4 | L4 | G3/4 | G3/4 | ||
| 30 | 150 | 93.9 | L4 | G3/4 | G3/4 | L4 | G3/4 | G3/4 |
Productos relacionados
Deixe uma mensagem
Outros Produtos
O Mais Recente
Outros Produtos
Vídeo

