Divisores de fluxo
Solicite uma cotação
Uma combinação de vários motores hidráulicos conectados por um eixo
Informações técnicas
- Deslocamento: 1.4~230cm³/rev.
- Rotation direction: reversible (R)
- Velocidade mínima: 600r/mín
- Velocidade máxima: 2500r/mín
- Pressão máxima: 150~230bar
Regras para o código de pedido do divisor de fluxo do Grupo 1.25
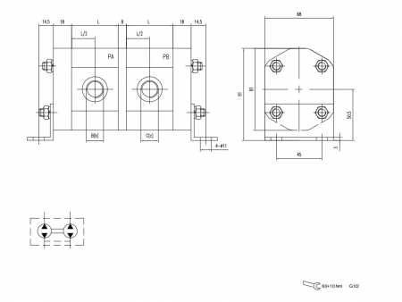
Divisor de fluxo do grupo 1.25 Dimensões padrão do produto
| Deslocamento | Pressão máxima | Velocidade máxima | Velocidade mínima | Dimensões | Código de porta de óleo | Entrada | Saída | Código de porta de óleo | Entrada | Saída |
| PA | PA | L | PA | B | c | PB | C | c | ||
| (cm³/rev.) | bar | (r/mín) | (r/mín) | mm | ||||||
| 1.4 | 230 | 2500 | 600 | 44.1 | L1 | G1/2 | G1/2 | L1 | G1/2 | G1/2 |
| 2.1 | 230 | 46.1 | L1 | G1/2 | G1/2 | L1 | G1/2 | G1/2 | ||
| 2.8 | 230 | 48.1 | L1 | G1/2 | G1/2 | L1 | G1/2 | G1/2 | ||
| 3.5 | 210 | 50.1 | L1 | G1/2 | G1/2 | L1 | G1/2 | G1/2 | ||
| 4.1 | 210 | 52.1 | L1 | G1/2 | G1/2 | L1 | G1/2 | G1/2 | ||
| 5.2 | 200 | 55.1 | L1 | G1/2 | G1/2 | L1 | G1/2 | G1/2 | ||
| 6.2 | 200 | 58.1 | L1 | G1/2 | G1/2 | L1 | G1/2 | G1/2 | ||
| 7.6 | 180 | 62.1 | L1 | G1/2 | G1/2 | L1 | G1/2 | G1/2 | ||
| 9.3 | 170 | 67.1 | L1 | G1/2 | G1/2 | L1 | G1/2 | G1/2 | ||
| 11 | 170 | 72.1 | L1 | G1/2 | G1/2 | L1 | G1/2 | G1/2 | ||
| 13.8 | 150 | 80.1 | L1 | G1/2 | G1/2 | L1 | G1/2 | G1/2 |
Productos relacionados
Deixe uma mensagem
Outros Produtos
O Mais Recente
Outros Produtos
Vídeo

