MCM-E Válvula direcional elétrica para elevadores tipo tesoura
Solicite uma cotação
                                    
                                                                                                    
                                         WebSite: http://hydraulicvalve-br.com/12-2-scissor-lift-control-valve-for-electric-scissor-lift.html
                                    
                                                                
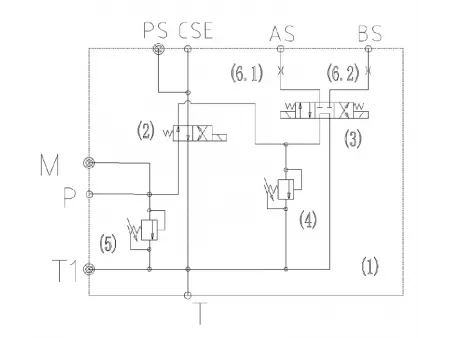
                                Blocos de válvulas hidráulicas para controle suave da elevação, descida, direção de deslocamento e velocidade de elevadores tipo tesoura
- Design modular e compacto para um controle hidráulico seguro e confiável
- Design patenteado com válvula de contrapeso de deslocamento integrada para melhorar a estabilidade geral da plataforma
- A construção de alta eficiência reduz o consumo de energia, prolongando o tempo de operação do equipamento
Aplicações
 Projetada para elevadores tipo tesoura, esta válvula de controle hidráulico garante um levantamento e abaixamento suaves, juntamente com um controle de direção preciso, aumentando a segurança, a estabilidade e a eficiência durante operações em altura.
Especificações
 | Pressão máxima de operação | 250bar | 
| Fluxo nominal | 20L/min | 
| Voltagem | DC20V±10% | 
| Faixa de temperatura do fluido | -30℃~110℃ | 
| Faixa de temperatura ambiente | -30℃~110℃ | 
| Faixa de viscosidade do óleo | ISO 20~400mm²/s | 
Productos relacionados
                                    Deixe uma mensagem
                                    
                                    
                                Outros Produtos
                                    
                                                            O Mais Recente
                        Saiba mais
                                                                                                                                                                                                                                                                                                                                                                            
                                                                                                                                
                                                                                                                                
                                                                                                                                
                                                                                                                                
                                                                                                                                
                                                                                    Outros Produtos
                        Vídeo
                            
                                            
 
                                                 
                                                
 
                                                                                                             
                                                                                                             
                                                                                                     
                                                                                                     
                                                                                                     
                                                                                                     
                                                                                     
                                                                                     
                                                                                     
                                                                                     
                                                                                     
                                                                                     
                                                                                     
                                                                                     
                                                                                     
                                                                                     
                                                                             
                                                                             
                                                                             
                                                                             
                                            
                                         
                                            
                                         
                                            
                                         
                                            
                                         
                                            
                                        