Bomba de engrenagem externa
Solicite uma cotação
Bombas hidráulicas
Informações técnicas
- Deslocamento: 0.19~2cm³/rev.
- Sentido de rotação: no sentido horário (D), anti-horário (S), reversível (R)
- Velocidade mínima: 500~1000r/mín
- Velocidade máxima: 3000~7000r/mín
- Pressão máxima: 210~250bar
- Equipamentos para manuseio de materiais
Características
- Baixo ruído, alta eficiência, longa vida útil
- Alto desempenho mesmo em baixas velocidades
- Várias opções de porta de óleo e extensão do eixo disponíveis
- Vedação do eixo sem vazamentos
- Bomba reversível opcional
Parâmetros técnicos
| Deslocamento | Pressão absoluta de sucção | Pressão máxima contínua | Pressão máxima intermitente | Pressão máxima de pico | Velocidade mínima | Velocidade máxima | Eficiência volumétrica |
| V | Pe | P1 | P2 | P3 | nmín | nmáx | ηv |
| cm³/rev. | bar | r/mín | % | ||||
| 0.19 | 0.7...3 | 200 | 230 | 250 | 1000 | 7000 | ≥90 |
| 0.26 | |||||||
| 0.38 | |||||||
| 0.5 | |||||||
| 0.65 | ≥91 | ||||||
| 0.75 | |||||||
| 0.88 | |||||||
| 1 | 850 | 6000 | ≥92 | ||||
| 1.25 | 700 | 5000 | |||||
| 1.5 | 600 | 4000 | |||||
| 1.75 | 180 | 210 | 230 | ||||
| 2 | 160 | 190 | 210 | 500 | 3000 | ||
Regras para códigos de encomenda
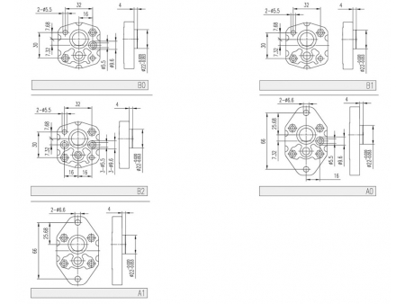
Dimensões padrão
| Deslocamento | Pressão máxima | Velocidade máxima | Velocidade mínima | Peso | Dimensões | Código de porta de óleo | Saída | |||
| P1 | P2 | P3 | M | N | ||||||
| (cm³/rev.) | bar | bar | bar | (r/min) | (r/min) | Kg | mm | mm | ||
| 0.19 | 200 | 230 | 250 | 7000 | 1000 | 0.36 | 60 | 51 | LJ0 | G1/4 |
| 0.26 | 200 | 230 | 250 | 7000 | 1000 | 0.364 | 60.5 | 51.5 | LJ0 | G1/4 |
| 0.38 | 200 | 230 | 250 | 7000 | 1000 | 0.372 | 61.5 | 52.5 | UJ0 | G1/4 |
| 0.50 | 200 | 230 | 250 | 7000 | 1000 | 0.38 | 62.5 | 53.5 | LJ0 | G1/4 |
| 0.65 | 200 | 230 | 250 | 7000 | 1000 | 0.40 | 63.5 | 54.5 | LJ0 | G1/4 |
| 0.75 | 200 | 230 | 250 | 7000 | 1000 | 0.408 | 64.5 | 55.5 | U0 | G1/4 |
| 0.88 | 200 | 230 | 250 | 7000 | 1000 | 0.416 | 65.5 | 56.5 | LJ0 | G1/4 |
| 1.00 | 200 | 230 | 250 | 6000 | 850 | 0.42 | 66.5 | 57.5 | U0 | G1/4 |
| 1.25 | 200 | 230 | 250 | 5000 | 700 | 0.436 | 68.5 | 59.5 | LJ0 | G1/4 |
| 1.50 | 200 | 230 | 250 | 4000 | 600 | 0.452 | 70.5 | 61.5 | LJ0 | G1/4 |
| 1.75 | 180 | 210 | 230 | 4000 | 600 | 0.468 | 72.5 | 63.5 | LJ0 | G1/4 |
| 2.00 | 160 | 190 | 210 | 3000 | 500 | 0.484 | 74.5 | 65.5 | LJ0 | G1/4 |
| Deslocamento | Pressão máxima | Velocidade máxima | Velocidade mínima | Peso | Dimensões | Código de porta de óleo | Entrada | Saída | ||||
| P1 | P2 | P3 | M | N | L | |||||||
| (cm³/rev.) | bar | bar | bar | (r/mín) | (r/mín) | Kg | mm | mm | mm | D | d | |
| 0.19 | 200 | 230 | 250 | 7000 | 1000 | 0.36 | 60 | 51 | 27.2 | L2 | G1/4 | G1/4 |
| 0.26 | 200 | 230 | 250 | 7000 | 1000 | 0.364 | 60.5 | 51.5 | 27.5 | L2 | G1/4 | G1/4 |
| 0.38 | 200 | 230 | 250 | 7000 | 1000 | 0.372 | 61.5 | 52.5 | 28 | L2 | G1/4 | G1/4 |
| 0.50 | 200 | 230 | 250 | 7000 | 1000 | 0.38 | 62.5 | 53.5 | 28.5 | L2 | G1/4 | G1/4 |
| 0.65 | 200 | 230 | 250 | 7000 | 1000 | 0.40 | 63.5 | 54.5 | 29 | L2 | G1/4 | G1/4 |
| 0.75 | 200 | 230 | 250 | 7000 | 1000 | 0.408 | 64.5 | 55.5 | 29.5 | L2 | G1/4 | G1/4 |
| 0.88 | 200 | 230 | 250 | 7000 | 1000 | 0.416 | 65.5 | 56.5 | 30 | L2 | G1/4 | G1/4 |
| 1.00 | 200 | 230 | 250 | 6000 | 850 | 0.42 | 66.5 | 57.5 | 30.5 | L2 | G1/4 | G1/4 |
| 1.25 | 200 | 230 | 250 | 5000 | 700 | 0.436 | 68.5 | 59.5 | 31.5 | L2 | G1/4 | G1/4 |
| 1.50 | 200 | 230 | 250 | 4000 | 600 | 0.452 | 70.5 | 61.5 | 32.5 | L2 | G1/4 | G1/4 |
| 1.75 | 180 | 210 | 230 | 4000 | 600 | 0.468 | 72.5 | 63.5 | 33.5 | L2 | G1/4 | G1/4 |
| 2.00 | 160 | 190 | 210 | 3000 | 500 | 0.484 | 74.5 | 65.5 | 34.5 | L2 | G1/4 | G1/4 |
| Deslocamento | Pressão máxima | Velocidade máxima | Velocidade mínima | Peso | Dimensões | Código de porta de óleo | Entrada | ||
| P1 | P2 | P3 | D | ||||||
| (cm³/rev.) | bar | bar | bar | (r/mín) | (r/mín) | Kg | mm | ||
| 0.19 | 200 | 230 | 250 | 7000 | 1000 | 0.395 | 60 | LJ0 | G1/4 |
| 0.26 | 200 | 230 | 250 | 7000 | 1000 | 0.4 | 60.5 | LJ0 | G1/4 |
| 0.38 | 200 | 230 | 250 | 7000 | 1000 | 0.41 | 61.5 | LJ0 | G1/4 |
| 0.5 | 200 | 230 | 250 | 7000 | 1000 | 0.42 | 62.5 | LJ0 | G1/4 |
| 0.65 | 200 | 230 | 250 | 7000 | 1000 | 0.43 | 63.5 | LJ0 | G1/4 |
| 0.75 | 200 | 230 | 250 | 7000 | 1000 | 0.44 | 64.5 | LJ0 | G1/4 |
| 0.88 | 200 | 230 | 250 | 7000 | 1000 | 0.45 | 65.5 | LJ0 | G1/4 |
| 1 | 200 | 230 | 250 | 6000 | 850 | 0.46 | 66.5 | LJ0 | G1/4 |
| 1.25 | 200 | 230 | 250 | 5000 | 700 | 0.48 | 68.5 | LJ0 | G1/4 |
| 1.5 | 200 | 230 | 250 | 4000 | 600 | 0.5 | 70.5 | LJ0 | G1/4 |
| 1.75 | 180 | 210 | 230 | 4000 | 600 | 0.51 | 72.5 | LJ0 | G1/4 |
| 2 | 160 | 190 | 210 | 3000 | 500 | 0.52 | 74.5 | LJ0 | G1/4 |
| Deslocamento | Pressão máxima | Velocidade máxima | Velocidade mínima | Peso | Dimensões | Código de porta de óleo | Entrada | Saída | |||
| P1 | P2 | P3 | M | L | D | d | |||||
| (cm³/rev.) | bar | bar | bar | (r/mín) | (r/mín) | Kg | mm | mm | |||
| 0.19 | 200 | 230 | 250 | 7000 | 0.395 | 60 | 27.2 | L2 | G1/4 | G1/4 | |
| 0.26 | 200 | 230 | 250 | 7000 | 0.4 | 60.5 | 27.5 | L2 | G1/4 | G1/4 | |
| 0.38 | 200 | 230 | 250 | 7000 | 1000 | 0.41 | 61.5 | 28 | L2 | G1/4 | G1/4 |
| 0.5 | 200 | 230 | 250 | 7000 | 1000 | 0.42 | 62.5 | 28.5 | L2 | G1/4 | G1/4 |
| 0.65 | 200 | 230 | 250 | 7000 | 1000 | 0.43 | 63.5 | 29 | L2 | G1/4 | G1/4 |
| 0.75 | 200 | 230 | 250 | 7000 | 1000 | 0.44 | 64.5 | 29.5 | L2 | G1/4 | G1/4 |
| 0.88 | 200 | 230 | 250 | 7000 | 1000 | 0.45 | 65.5 | 30 | L2 | G1/4 | G1/4 |
| 1 | 200 | 230 | 250 | 6000 | 850 | 0.46 | 66.5 | 30.5 | L2 | G1/4 | G1/4 |
| 1.25 | 200 | 230 | 250 | 5000 | 700 | 0.48 | 68.5 | 31.5 | L2 | G1/4 | G1/4 |
| 1.5 | 200 | 230 | 250 | 4000 | 600 | 0.5 | 70.5 | 32.5 | L2 | G1/4 | G1/4 |
| 1.75 | 180 | 210 | 230 | 4000 | 600 | 0.51 | 72.5 | 33.5 | L2 | G1/4 | G1/4 |
| 2 | 160 | 190 | 210 | 3000 | 500 | 0.52 | 74.5 | 34.5 | L2 | G1/4 | G1/4 |
| Deslocamento | Pressão máxima | Velocidade máxima | Velocidade mínima | Peso | Dimensões | Código de porta de óleo | Entrada | |||
| P1 | P2 | P3 | M | L | D | |||||
| (cm³/rev.) | bar | bar | bar | (r/mín) | (r/mín) | Kg | mm | mm | ||
| 0.19 | 150 | 170 | 190 | 7000 | 0.4 | 68 | 51 | LJ0 | G1/4 | |
| 0.26 | 150 | 170 | 190 | 7000 | 1000 | 0.41 | 68.5 | 51.5 | LJ0 | G1/4 |
| 0.38 | 150 | 170 | 190 | 7000 | 1000 | 0.42 | 69.5 | 52.5 | LJ0 | G1/4 |
| 0.5 | 150 | 170 | 190 | 7000 | 1000 | 0.43 | 70.5 | 53.5 | LJ0 | G1/4 |
| 0.65 | 150 | 170 | 190 | 7000 | 1000 | 0.44 | 71.5 | 54.5 | LJ0 | G1/4 |
| 0.75 | 150 | 170 | 190 | 7000 | 1000 | 0.45 | 72.5 | 55.5 | LJ0 | G1/4 |
| 0.88 | 150 | 170 | 190 | 7000 | 1000 | 0.46 | 73.5 | 56.5 | LJ0 | G1/4 |
| 1 | 150 | 170 | 190 | 6000 | 850 | 0.47 | 74.5 | 57.5 | LJ0 | G1/4 |
| 1.25 | 150 | 170 | 190 | 5000 | 700 | 0.49 | 76.5 | 59.5 | LJ0 | G1/4 |
| 1.5 | 150 | 170 | 190 | 4000 | 600 | 0.51 | 78.5 | 61.5 | LJ0 | G1/4 |
| 1.75 | 150 | 170 | 190 | 4000 | 600 | 0.52 | 80.5 | 63.5 | LJ0 | G1/4 |
| 2 | 150 | 170 | 190 | 3000 | 500 | 0.53 | 82.5 | 65.5 | LJ0 | G1/4 |
Productos relacionados
Deixe uma mensagem
Outros Produtos
O Mais Recente
Outros Produtos
Vídeo

