Bomba de engrenagem externa
Solicite uma cotação
Bombas hidráulicas
Informações técnicas
- Deslocamento: 1.4~13.8cm³/rev.
- Sentido de rotação: no sentido horário (D), anti-horário (S), reversível (R)
- Velocidade mínima: 600~800r/mín
- Velocidade máxima: 1800~6000r/mín
- Pressão máxima: 180~290bar
- Sistemas hidráulicos
Características
- Baixo ruído, alta eficiência, longa vida útil
- Alto desempenho mesmo em baixas velocidades
- Várias opções de porta de óleo e extensão do eixo disponíveis
- Vedação do eixo sem vazamentos
- Bomba e motor reversíveis opcionais
Parâmetros técnicos
| Deslocamento | Pressão absoluta de sucção | Pressão máxima contínua | Pressão máxima intermitente | Pressão máxima de pico | Velocidade mínima | Velocidade máxima | Eficiência volumétrica |
| V | Pe | P1 | P2 | P3 | nmín | nmáx | ηv |
| cm³/rev. | bar | r/nin | % | ||||
| 1.4 | 0.7...3 | 250 | 270 | 290 | 800 | 6000 | ≥90 |
| 2.1 | ≥91 | ||||||
| 2.8 | 5000 | ||||||
| 3.5 | |||||||
| 4.1 | 600 | 4000 | |||||
| 5.2 | 230 | 245 | 260 | ≥92 | |||
| 6.2 | 3800 | ||||||
| 7.6 | 200 | 215 | 230 | 3200 | |||
| 9.3 | 180 | 195 | 210 | 2600 | |||
| 11 | 170 | 185 | 200 | 2200 | ≥94 | ||
| 13.8 | 150 | 165 | 180 | 1800 | |||
Regras para códigos de encomenda
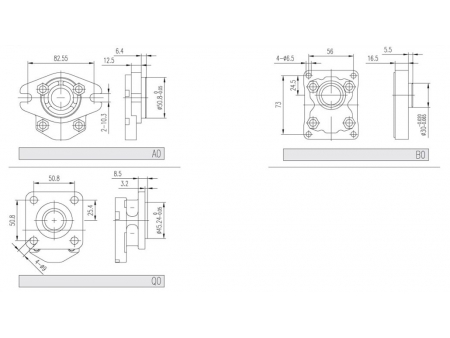
Dimensões padrão
| Deslocamento | Pressão máxima | Velocidade máxima | Velocidade mínima | Peso | Dimensões | Código de porta de óleo | Entrada | Saída | ||||||||||
| P1 | P2 | P3 | M | L | B | D | H | b | d | h | ||||||||
| (cm³/rev.) | bar | bar | bar | (r/mín) | (r/mín) | Kg | mm | mm | mm | mm | mm | mm | ||||||
| 1.4 | 250 | 270 | 290 | 6000 | 800 | 1.80 | 80.5 | 40 | E0 | 30 | 13 | M6 | 30 | 13 | M6 | |||
| 2.1 | 250 | 270 | 290 | 6000 | 800 | 1.835 | 82.5 | 41 | E0 | 30 | 13 | M6 | 30 | 13 | M6 | |||
| 2.8 | 250 | 270 | 290 | 5000 | 800 | 1.87 | 84.5 | 42 | E0 | 30 | 13 | M6 | 30 | 13 | M6 | |||
| 3.5 | 250 | 270 | 290 | 5000 | 800 | 1.905 | 86.5 | 43 | E0 | 30 | 13 | M6 | 30 | 13 | M6 | |||
| 4.1 | 250 | 270 | 290 | 4000 | 800 | 1.94 | 88.5 | 44 | E0 | 30 | 13 | M6 | 30 | 13 | M6 | |||
| 5.2 | 230 | 245 | 260 | 4000 | 800 | 2.02 | 91.5 | 45.5 | E0 | 30 | 13 | M6 | 30 | 13 | M6 | |||
| 6.2 | 230 | 245 | 260 | 3800 | 800 | 2.1 | 94.5 | 47 | E0 | 30 | 13 | M6 | 30 | 13 | M6 | |||
| 7.6 | 200 | 215 | 230 | 3200 | 600 | 2.17 | 98.5 | 49 | E0 | 30 | 13 | M6 | 30 | 13 | M6 | |||
| 9.3 | 180 | 195 | 210 | 2600 | 600 | 2.25 | 103.5 | 51.5 | E0 | 30 | 13 | M6 | 30 | 13 | M6 | |||
| 11.0 | 170 | 185 | 200 | 2200 | 600 | 2.345 | 108.5 | 54 | E0 | 30 | 13 | M6 | 30 | 13 | M6 | |||
| 13.8 | 150 | 165 | 180 | 1800 | 600 | 2.485 | 116.5 | 58 | E0 | 30 | 13 | M6 | 30 | 13 | M6 | |||
| Deslocamento | Pressão máxima | Velocidade máxima | Velocidade mínima | Peso | Dimensões | Código de porta de óleo | Entrada | Saída | |||
| P1 | P2 | P3 | M | L | D | d | |||||
| (cm³/rev.) | bar | bar | bar | (r/mín) | (r/mín) | Kg | mm | mm | |||
| 1.4 | 250 | 270 | 290 | 6000 | 800 | 1.80 | 80.5 | 40 | L0 | G1/2 | G3/8 |
| 2.1 | 250 | 270 | 290 | 6000 | 800 | 1.835 | 82.5 | 41 | L0 | G1/2 | G3/8 |
| 2.8 | 250 | 270 | 290 | 5000 | 800 | 1.87 | 84.5 | 42 | L0 | G1/2 | G3/8 |
| 3.5 | 250 | 270 | 290 | 5000 | 800 | 1.905 | 86.5 | 43 | L0 | G1/2 | G3/8 |
| 4.1 | 250 | 270 | 290 | 4000 | 800 | 1.94 | 88.5 | 44 | L3 | G3/4 | G1/2 |
| 5.2 | 230 | 245 | 260 | 4000 | 800 | 2.02 | 91.5 | 45.5 | L3 | G3/4 | G1/2 |
| 6.2 | 230 | 245 | 260 | 3800 | 800 | 2.1 | 94.5 | 47 | L3 | G3/4 | G1/2 |
| 7.6 | 200 | 215 | 230 | 3200 | 600 | 2.17 | 98.5 | 49 | L3 | G3/4 | G1/2 |
| 9.3 | 180 | 195 | 210 | 2600 | 600 | 2.25 | 103.5 | 51.5 | L3 | G3/4 | G1/2 |
| 11.0 | 170 | 185 | 200 | 2200 | 600 | 2.345 | 108.5 | 54 | L3 | G3/4 | G1/2 |
| 13.8 | 150 | 165 | 180 | 1800 | 600 | 2.485 | 116.5 | 58 | L3 | G3/4 | G1/2 |
| Deslocamento | Pressão máxima | Velocidade máxima | Velocidade mínima | Peso | Dimensões | Código de porta de óleo | Entrada | Saída | |||
| P1 | P2 | P3 | M | L | D | d | |||||
| (cm³/rev.) | bar | bar | bar | (r/mín) | (r/mín) | Kg | mm | mm | |||
| 1.4 | 250 | 270 | 290 | 6000 | 800 | 1.9 | 98 | 59 | U0 | 3/4-16UNF | 9/16-18UNF |
| 2.1 | 250 | 270 | 290 | 6000 | 800 | 1.94 | 100 | 60 | U0 | 3/4-16UNF | 9/16-18UNF |
| 2.8 | 250 | 270 | 290 | 5000 | 800 | 1.97 | 102 | 61 | U0 | 3/4-16UNF | 9/16-18UNF |
| 3.5 | 250 | 270 | 290 | 5000 | 800 | 2.01 | 104 | 62 | U0 | 3/4-16UNF | 9/16-18UNF |
| 4.1 | 250 | 270 | 290 | 4000 | 800 | 2.04 | 106 | 63 | U0 | 3/4-16UNF | 9/16-18UNF |
| 5.2 | 230 | 245 | 260 | 4000 | 800 | 2.15 | 109 | 64.5 | U0 | 3/4-16UNF | 9/16-18UNF |
| 6.2 | 230 | 245 | 260 | 3800 | 800 | 2.2 | 112 | 66 | U0 | 3/4-16UNF | 9/16-18UNF |
| 7.6 | 200 | 215 | 230 | 3200 | 600 | 2.27 | 116 | 68 | U1 | 7/8-14UNF | 3/4-16UNF |
| 9.3 | 180 | 195 | 210 | 2600 | 600 | 2.35 | 121 | 70.5 | U1 | 7/8-14UNF | 3/4-16UNF |
| 11 | 170 | 185 | 200 | 2200 | 600 | 2.45 | 126 | 73 | U1 | 7/8-14UNF | 3/4-16UNF |
| 13.8 | 150 | 165 | 180 | 1800 | 600 | 2.6 | 134 | 77 | U1 | 7/8-14UNF | 3/4-16UNF |
| Deslocamento | Pressão máxima | Velocidade máxima | Velocidade mínima | Peso | Dimensões | Código de porta de óleo | Entrada | Saída | |||
| P1 | P2 | P3 | M | L | D | d | |||||
| (cm³/rev.) | bar | bar | bar | (r/mín) | (r/mín) | Kg | mm | mm | |||
| 1.4 | 250 | 270 | 290 | 6000 | 800 | 1.8 | 80.5 | 40 | L2 | G3/8 | G3/8 |
| 2.1 | 250 | 270 | 290 | 6000 | 800 | 1.835 | 82.5 | 41 | L2 | G3/8 | G3/8 |
| 2.8 | 250 | 270 | 290 | 5000 | 800 | 1.87 | 84.5 | 42 | L2 | G3/8 | G3/8 |
| 3.5 | 250 | 270 | 290 | 5000 | 800 | 1.905 | 86.5 | 43 | L2 | G3/8 | G3/8 |
| 4.1 | 250 | 270 | 290 | 4000 | 800 | 1.94 | 88.5 | 44 | L1 | G1/2 | G1/2 |
| 5.2 | 230 | 245 | 260 | 4000 | 800 | 2.02 | 91.5 | 45.5 | L1 | G1/2 | G1/2 |
| 6.2 | 230 | 245 | 260 | 3800 | 800 | 2.1 | 94.5 | 47 | L1 | G1/2 | G1/2 |
| 7.6 | 200 | 215 | 230 | 3200 | 600 | 2.17 | 98.5 | 49 | L1 | G1/2 | G1/2 |
| 9.3 | 180 | 195 | 210 | 2600 | 600 | 2.25 | 103.5 | 51.5 | L1 | G1/2 | G1/2 |
| 11 | 170 | 185 | 200 | 2200 | 600 | 2.345 | 108.5 | 54 | L1 | G1/2 | G1/2 |
| 13.8 | 150 | 165 | 180 | 1800 | 600 | 2.485 | 116.5 | 58 | L1 | G1/2 | G1/2 |
Productos relacionados
Deixe uma mensagem
Outros Produtos
O Mais Recente
Outros Produtos
Vídeo

