MPSB-SE Bloco manifold com válvula de retenção pilotada
Solicite uma cotação
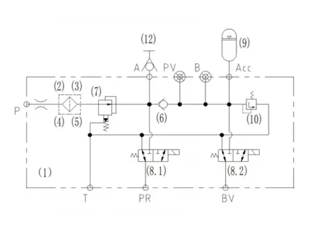
Bloco hidráulico para fornecimento óleo hidráulico de baixa pressão ao sistema de controle piloto de escavadeira compacta
- Design compacto para fácil instalação e eficiência de espaço
- Oferece controle preciso da pressão e capacidade de manutenção da pressão para circuitos hidráulicos piloto
- A estrutura otimizada minimiza o ruído operacional, garantindo um controle mais suave e silencioso da máquina
Aplicações
Projetado para miniescavadeiras, este bloco manifold de válvulas de retenção pilotada fornece óleo hidráulico de baixa pressão estável, limpo e controlável ao sistema de controle piloto. Ele garante manuseio responsivo, operação segura e maior eficiência energética, permitindo que os operadores mantenham um controle preciso em ambientes de trabalho confinados ou delicados.
Especificações
| Pressão nominal | 350bar |
| Fluxo nominal | 15L/min |
| Voltagem | DC14V±15% |
| Faixa de temperatura do fluido | -20℃~80℃ |
| Faixa de temperatura ambiente | -20℃~80℃ |
| Faixa de viscosidade do óleo | ISO 20~400mm²/s |
Productos relacionados
Deixe uma mensagem
Outros Produtos
O Mais Recente
Saiba mais
Outros Produtos
Vídeo

