Válvula de elevação eletro hidráulica
Solicite uma cotação
                                    
                                                                                                    
                                                                
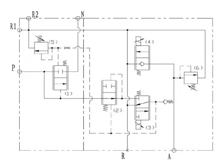
                                Válvula de controle hidráulico para controle preciso da elevação e descida dos acessórios do trator
A válvula de elevação eletro hidráulica utiliza sinais eletro-proporcionais para controlar com precisão a abertura do carretel, ajustando o fluxo de saída na porta de trabalho com uma capacidade de até 120 L/min. Isso permite a elevação e o abaixamento precisos dos acessórios do trator para atender a vários requisitos operacionais em diferentes aplicações industriais, como a agricultura moderna.
Características
 - Design modular e compacto que pode ser combinado com válvulas de múltiplos carretéis para controle hidráulico integrado
- Baixa perda de pressão e alta eficiência, reduzindo o consumo geral de energia da máquina
- Controle de fluxo eletroproporcional com alta sensibilidade, garantindo ajustes suaves e precisos dos implementos
Especificações
 | Pressão máxima de operação | 250bar | 
| Fluxo nominal | 120L/min | 
| Faixa de temperatura do fluido | -40℃~100℃ | 
| Faixa de temperatura ambiente | -40℃~80℃ | 
| Tratamento de superfície | Niquelado | 
| Faixa de viscosidade do óleo | ISO 20~400mm²/s | 
Aplicações
 Ideal para sistemas de controle de profundidade de tratores, a válvula de elevação hidráulica permite a elevação e o abaixamento proporcional e preciso dos acessórios, mantendo uma profundidade de cultivo consistente para melhorar a precisão e a produtividade agrícola.
Productos relacionados
                                    Deixe uma mensagem
                                    
                                    
                                Outros Produtos
                                    
                                                            O Mais Recente
                        Saiba mais
                                                                                                                                                                                                                                                                                                                                                                            
                                                                                                                                
                                                                                                                                
                                                                                                                                
                                                                                                                                
                                                                                                                                
                                                                                    Outros Produtos
                        Vídeo
                            
                                            
 
                                                 
                                                
 
                                                                                                             
                                                                                                             
                                                                                                             
                                                                                                     
                                                                                                     
                                                                                                     
                                                                                                     
                                                                                     
                                                                                     
                                                                                     
                                                                                     
                                                                                     
                                                                                     
                                                                                     
                                                                                     
                                                                                     
                                                                                     
                                                                             
                                                                             
                                                                             
                                                                             
                                                                             
                                            
                                         
                                            
                                         
                                            
                                         
                                            
                                         
                                            
                                        