Válvula direcional seccional SMWV-08
Válvula de controle hidráulica multivias para o controle do fluxo de fluidos em várias máquinas industriais e agrícolas
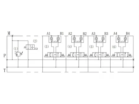
A válvula de controle direcional seccional SMWV-08 foi projetada para requisitos de fluxo maiores em sistemas hidráulicos exigentes. Ela usa um mecanismo de bobina eletromagnética para iniciar, parar e redirecionar o fluido hidráulico, mas é otimizada para aplicações mais pesadas e máquinas de maior capacidade. Seu solenóide CC do tipo úmido é totalmente vedado e isolado, permitindo um movimento suave da armadura dentro do óleo para reduzir o desgaste, suavizar os impactos hidráulicos e melhorar o resfriamento. Isso resulta em maior confiabilidade de comutação e vida útil prolongada da válvula. O bloco de controle possui passagens de fluido fundidas, minimizando a perda de pressão e melhorando a eficiência geral do fluxo para máquinas pesadas.
- Design modular e compacto com a capacidade de combinar vários módulos de válvulas
- A estrutura de bloqueio hidráulico integrada simplifica o circuito hidráulico e aumenta a segurança
- Baixa perda de pressão e alta eficiência, ajudando a reduzir o consumo geral de energia da máquina
| Pressão nominal | 210bar |
| Fluxo nominal | 50L/min |
| Faixa de temperatura do fluido | -20℃~80℃ |
| Padrão de contaminação | ISO 4406 CLASS 20/18/15 |
| Tratamento de superfífice | Niquelado |
| Faixa de viscosidade do óleo | ISO 20~400mm²/s |
A válvula de controle direcional seccional é comumente usada em máquinas de colheita, plataformas de trabalho aéreo e equipamentos de saneamento que exigem maior fluxo hidráulico:
- Máquinas de colheita (por exemplo, colheitadeiras): gerencia de forma sincronizada a altura da mesa, a velocidade de rotação do tambor e os mecanismos de limpeza, adaptando-se às mudanças de carga no campo
- Plataformas de trabalho aéreas (por exemplo, elevadores de lança de vários estágios): fornece controle preciso da extensão da lança de várias seções, nivelamento da plataforma e rotação para operações elevadas estáveis e seguras
- Veículos de saneamento (por exemplo, compactadores de lixo): coordena a elevação da lixeira, o movimento da placa compactadora e os controles do tanque de águas residuais para uma operação suave e confiável

