Bomba de engrenagem múltipla
Solicite uma cotação
Bombas hidráulicas
Informações técnicas
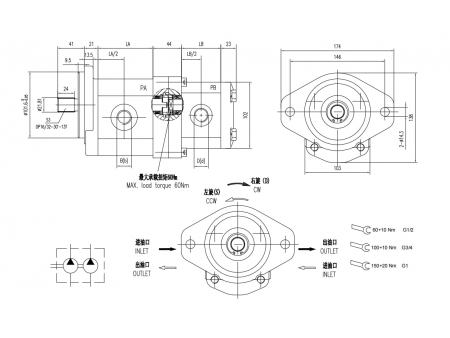
- Deslocamento: 3~44cm³/rev.
- Sentido de rotação: sentido horário (D), anti-horário (S)
- Velocidade mínima: 500r/mín
- Velocidade máxima: 2300r/mín
- Pressão máxima: 170~285bar
Regras para códigos de encomenda
Dimensões padrão do produto
| Deslocamento | Pressão máxima | Velocidade máxima | Velocidade mínima | Dimensões | Código de porta de óleo | Entrada | Saída | Código de porta de óleo | Entrada | Saída | |||
| PA | PB | PA | PB | LA | LB | PA | D | d | PB | D | d | ||
| (cm³/rev.) | (cm³/rev.) | bar | bar | (r/mín) | (r/mín) | mm | mm | ||||||
| 6 | 3 | 250 | 285 | 2300 | 500 | 56.6 | 49.1 | L0 | G3/4 | G1/2 | L0 | G1/2 | G1/2 |
| 8 | 4 | 250 | 285 | 58.6 | 50.7 | L0 | G3/4 | G1/2 | L0 | G1/2 | G1/2 | ||
| 10 | 6 | 250 | 285 | 60.6 | 54 | L0 | G3/4 | G1/2 | L0 | G1/2 | G1/2 | ||
| 12 | 8 | 250 | 285 | 63.1 | 57.3 | L0 | G3/4 | G1/2 | L1 | G3/4 | G1/2 | ||
| 14 | 10 | 250 | 285 | 64.6 | 60.6 | L0 | G3/4 | G1/2 | L1 | G3/4 | G1/2 | ||
| 16 | 12 | 250 | 285 | 67.1 | 63.9 | L0 | G3/4 | G1/2 | L1 | G3/4 | G1/2 | ||
| 19 | 14 | 250 | 265 | 70.6 | 67.3 | L0 | G3/4 | G1/2 | L1 | G3/4 | G1/2 | ||
| 22 | 16 | 250 | 265 | 74.1 | 70.7 | L0 | G3/4 | G1/2 | L1 | G3/4 | G1/2 | ||
| 25 | 18 | 250 | 265 | 76.6 | 74 | L1 | G1 | G3/4 | L1 | G3/4 | G1/2 | ||
| 28 | 20 | 250 | 235 | 79.6 | 77.3 | L1 | G1 | G3/4 | L1 | G3/4 | G1/2 | ||
| 30 | 22 | 230 | 235 | 82.1 | 80.6 | L1 | G1 | G3/4 | L1 | G3/4 | G1/2 | ||
| 32 | 25 | 230 | 215 | 84.6 | 85.6 | L1 | G1 | G3/4 | L1 | G3/4 | G1/2 | ||
| 36 | 28 | 200 | 190 | 88.6 | 90.6 | L1 | G1 | G3/4 | L1 | G3/4 | G1/2 | ||
| 38 | 30 | 200 | 170 | 90.6 | 93.9 | L1 | G1 | G3/4 | L1 | G3/4 | G1/2 | ||
| 40 | 170 | 92.6 | L1 | G1 | G3/4 | ||||||||
| 44 | 170 | 97.1 | L1 | G1 | G3/4 | ||||||||
Productos relacionados
Deixe uma mensagem
Outros Produtos
O Mais Recente
Outros Produtos
Vídeo

